- Inicio
- Accesorios
- DAHUA PFA111 - Adaptador para brazo de pared PFB300W o montaje en techo PFB300C compatible con PTZ SD63 / SD65 / SD6A DAHUA PFA111 - Adaptador para brazo de pared PFB300W o montaje en techo PFB300C compatible con PTZ SD63 / SD65 / SD6A








DAHUA PFA111 - Adaptador para brazo de pared PFB300W o montaje en techo PFB300C compatible con PTZ SD63 / SD65 / SD6A
Pregunta por este producto- Descripción
- Especificaciones
- Reseñas
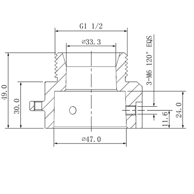
El modelo PFA111 es un adaptador para brazo de pared diseñado en aluminio, también puede utilizarse como montaje de techo para cámaras PTZ Dahua, las dimensiones del equipo son Φ60mm x 49mm, con un peso de 0.25kg el cual puede soportar un peso máximo de 7kg, esta diseñado para funcionar en temperaturas de -40°C ~ 60°C, otro detalle a destacar es que este adaptador nos permite realizar una instalación mucho más sencilla debido a que puede sostener el peso de la cámara PTZ mientras es instalada.
Instalación con Brazo de Pared
El modelo PFA111 en conjunto con el adaptador para brazo de pared PFB300W es compatible con las cámaras PTZ series SD60 / SD6AL / SD6AE / SD65F
Instalación con montaje de techo PFB300C
El modelo PFA111 en conjunto con el montaje en techo PFB300C es compatible con las cámaras PTZ series SD65 / SD69 / SD6A Y SAXXON SD4925 / SD5925PRO / SD5940TM.
Principales Características
- Material: aluminio.
- Dimensión: Φ60mmx49mm.
- Rosca de tubería G1 1/2 ’’.
- Soporte de carga 7.0kg.
- Peso: 0.25kg.
- Color: blanco.
- Temperatura de funcionamiento: De -40 ℃ ~ + 60 ℃ (-40 ℉ ~ + 140 ℉)
- Humedad: De <90% HR.
- Modelo aplicable Consulte "Selección de accesorios".